環保設計
城市市政污泥固廢處理方案
據住建部統計,截止至2016年9月底,我國污水處理廠的數量3976座,日處理能力達1.7億立方米,我國污水處理廠興建以及污水處理能力和處理率都呈現大幅度增長態勢。而污泥作為污水處理的“衍生品”,隨著污水處理量的增加而急劇增加,直接傾倒和簡單填埋的方法是目前大多數污水廠采用的方式,污泥有效處理率遠低于30%,大量污泥沒有得到規范化的處理,直接造成了“二次污染”。
焚燒裝置概況:
作為科技前沿的等離子火炬技術因其經濟、高效,世界各國競相研究,并成功用于污泥及固體廢棄物處理。
近年來永研環??萍缄懤m推出等離子火炬工業固廢焚燒、等離子火炬醫療廢棄物焚燒、等離子火炬污泥焚燒裝置等一系列產品,用戶遍布各行各業,成就斐然
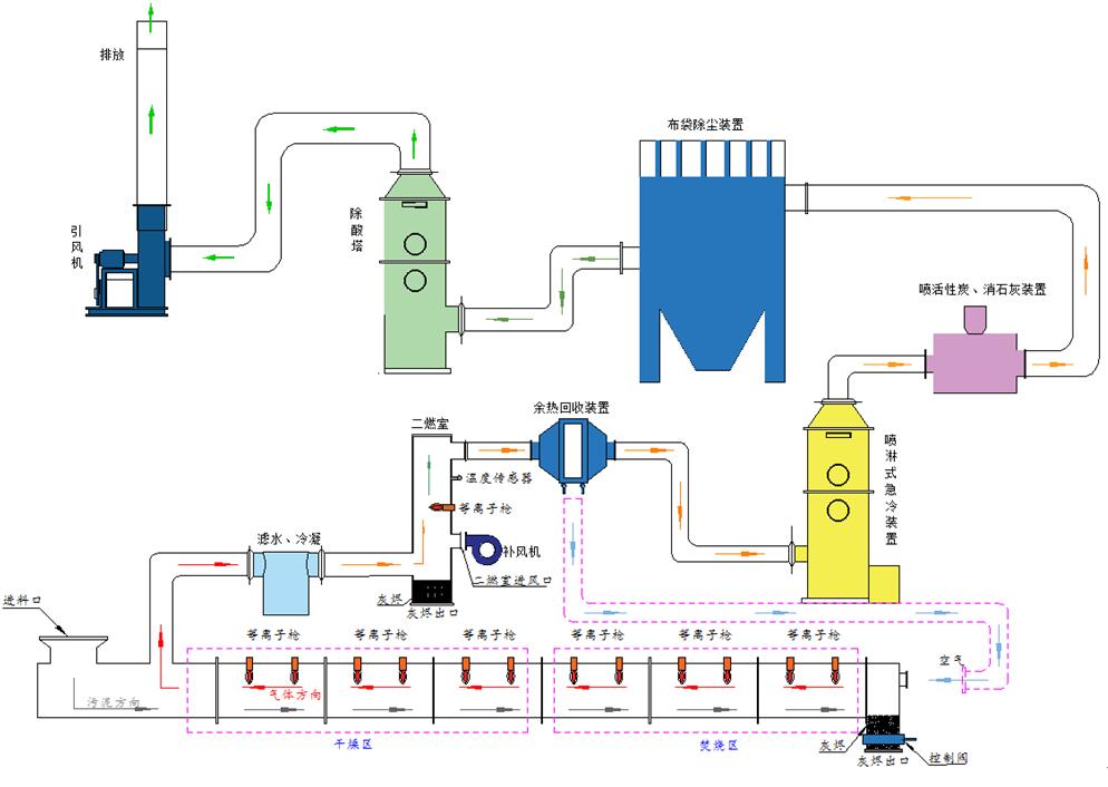
等離子火炬污泥焚燒裝置由等離子火炬、等離子火炬電源、進出料裝置、隧道窯(由多個窯爐單元組合而成)、攪拌輸送、尾氣處理系統組合而成。(如圖所示)
等離子火炬污泥焚燒裝置,同樣適用固態、半固態、粘稠油狀、液態廢棄物處理。
等離子火炬污泥焚燒裝置各部件(包括隧道窯)為標準化設計,自成體系,可以單獨運行或根據需要(處理工藝、處理量)級聯、組合工作。
等離子火炬隧道窯由多個窯爐單元級聯組合而成。
窯爐單元由不銹鋼爐體、耐火材料爐襯、等離子火炬、等離子火炬電源、控制器、攪拌輸送裝置組合而成,窯爐單元自成體系,爐溫、工作模式可單獨設置,獨立運行。
等離子火炬隧道窯囊括:等離子火炬、等離子火炬電源、窯爐爐體、窯爐工作模式、攪拌輸送、保溫耐火材料錨固技術等多項發明專利。
焚燒裝置工作機理:
1、含水率30%到90%的污泥、固態、半固態、液態廢棄物,經粉碎、濾除塊狀物后,由螺桿送料器輸送至料倉,由氣動裝置推送進入等離子火炬隧道窯,推送頻度由用戶自行設置。
2、等離子火炬隧道窯長度、等離子火炬功率,尾氣處理方案,依據廢棄物成分、含水率、日處理量等因素綜合考量決定。
3、等離子火炬隧道窯內置等離子火炬、攪拌、輸送裝置,攪拌器變換運動方向、攪拌速度,污泥等廢棄物頃刻間被等離子火焰包圍炙烤。
4、污泥等廢棄物在攪拌輸送裝置作用下,翻滾前移,離子體火炬瞬間產生上千度高溫,穿透力極強的等離子焰,徹底分解有機物。
汞、鋅、鉛、錫、銅等重金屬隨煙氣排出,經活性炭噴射裝置,噴射活性炭富集后再行處理。
5、等離子火炬隧道窯內煙氣與污泥等廢棄物逆向運動,在此過程中空氣由等離子火炬隧道窯末端進入爐體,自隧道窯進料口前端排放。如示意圖所示,紅色箭頭表示煙氣流動方向,黑色箭頭表示污泥等廢棄物運動方向。
6、污泥等廢棄物由干燥區進入焚燒區時含水率已經顯著降低,高溫煙氣自焚燒區經干燥區與污泥等廢棄物相向運動,在此過程中煙氣含水率逐漸上升。
7、煙氣經余熱回收裝置加熱工作氣體(空氣)后注入隧道窯干化污泥等廢棄物,可節省30%的能源。
8、隧道窯多個部位設有泄爆裝置保證設備安全。
9、隧道窯工作于微負壓狀態,防止煙氣泄露污染環境。
焚燒裝置技術參數:
等離子體火炬:
工作溫度:800--1000℃用戶設定,自動控制。
輸出功率:100--400kW自動調節輸出功率,精確控制焚燒爐溫度。
使用壽命:連續工作5000小時
焚燒爐:
組合式:(微負壓)以日處理量由窯爐單元組合、級聯。
送料裝置:以處理量設置進料頻度。
灰燼出口控制閥:用戶設定,自動控制。
溫度傳感器:實時采集溫度數據。
泄壓裝置保證設備安全
日處理量:20噸--200噸
控制器:PLC控制器,彩色觸摸屏,用戶自行設置運行參數。
冷凝器:新型平板式冷凝器,濾除煙氣中水分。
溫度傳感器:實時采集溫度數據。
二燃室:
燃燒室:煙氣由煙道進入二燃室(停留2秒)。
溫度傳感器:實時采集溫度數據。
進風風機:注入足量空氣,保證煙氣充分燃燒。
等離子火炬:自動調節輸出功率,精確控制二燃室溫度。
余熱回收:煙氣經二燃室補充空氣,充分燃燒后產生1000-1200度高溫氣體?;厥掌渲袩崮埽瞧髽I節能減排獲取經濟利益,降低生產成本,實現精細化管理的重要舉措,利用煙氣余熱,加熱工作氣體(空氣)后注入隧道窯干化污泥等廢棄物,可節省30%的能源。
噴淋急冷裝置:噴淋式急冷裝置,煙氣1秒由800℃降至150℃。
溫度傳感器:實時采集溫度數據。
煙氣處理:
活性炭、消石灰噴射裝置:向煙氣管道噴射活性炭、消石灰,吸收煙氣中的二噁英、及重金屬。
布袋除塵:清除煙氣中的顆粒物。
除酸塔:25%氫氧化鈉溶液,脫除酸性物質及二氧化硫。
引風機:變頻調速風機,克服布袋除塵風阻,使焚燒系統工作于微負壓狀態。
煙氣處理:
經余熱鍋爐:回收部分熱能后煙氣溫度大幅降低。
急冷裝置:進一步將煙氣溫度降至180度以下,脫除酸性物質(包括二氧化硫)及部分顆粒物。
活性炭、消石灰噴射裝置:向煙氣管道噴射活性炭、消石灰,清除煙氣中的二噁英、重金屬。
布袋除塵裝置:進一步濾除煙氣顆粒物實現達標排放。
除酸塔:25%氫氧化鈉溶液,脫除酸性物質及二氧化硫。
焚燒裝置產品優勢:
1、利用焚燒煙氣和余熱回收裝置加熱工作氣體注入隧道窯,干燥含水污泥可節約30%能源。
2、等離子火炬熱效率高于90%,使用壽命長達5000小時,遠高于國內外同行水平。
3、低運營成本:可直接焚燒含水率90%的污泥,無需進行脫水處理或添加輔助燃料。
4、設備及廠房投資只有流化床、回轉窯方案的二分之一。
5、以日處理100噸廢棄物的等離子火炬焚燒裝置為例,每年維護費用(包括更換等離子火炬及爐體大修)不超過50萬元。
4、模塊化:焚燒爐體為模塊化設計,根據用戶實際處理量組合拼裝,維護成本低。
5、標準化:縮短生產周期,降低生產成本,以統一的質量及檢驗標準,流水化的作業方式生產高質量的產品,滿足市場需要。
6、煙氣排放量小:煙氣排放量、粉塵排放量不到常規技術一半。
焚燒裝置工作模式:
A、焚燒模式:
等離子體火炬在富氧環境下(過量空氣)加熱廢棄物其中有機物發生氧化反應(燃燒),生成CO2、H2O等單質物質,其中汞、鋅、鉛、錫、銅等重金屬以氧化物形式隨煙氣排出,經活性炭噴射裝置,噴射活性炭富集后再行處理。
B、熱解模式:
等離子體火炬在缺氧環境下熱解廢棄物,其中有機物熱分解,生成H2、CO、H2O、CH4、CnHm等可燃煙氣。
煙氣由排氣口搜集,經列管式冷凝器,濾除煙氣中水分,送入二燃室適量補充空氣燃燒,遵循3T原則,煙氣在二燃室停留時間超過2秒。
只用少量空氣作為等離子火炬的工作氣體,發揮等離子火炬自身不消耗氧氣且熱效率高(高于百分之九十),穿透力強這一技術優勢,實現節能降耗的設計初衷。
以日處理100噸工業污泥設備為例的方案比較:
1、回轉窯設備投資額3--4千萬元(包括煙氣處理設備),而同等規模的等離子火炬隧道窯(包括煙氣處理設備),設備投資額在2千萬上下。
2、回轉窯每兩年大修費用近千萬元,相當設備投資的三分之一,而同等規模的等離子火炬隧道窯,每年維護費(包括等離子火炬槍)不超過50萬元。
3、回轉窯需要400千瓦電力配置,此外每小時消耗40立方天然氣,二燃室每小時消耗50--80立方天然氣,平均噸處理成本1--1.5千元。
而同等規模的等離子火炬隧道窯(包括煙氣處理設備),不消耗天然氣或其他諸如燃油等輔助能源,只需要400千瓦電力配置,初步測算平均噸處理成本4百元左右。
4、回轉窯需要天然氣助燃,每小時排放2--3萬立方煙氣,而同等規模的等離子火炬隧道窯只排放0.5--1萬立方煙氣,煙氣處理成本要低很多。
5、回轉窯處理含水率高的廢棄物,極易因熱沖擊造成爐內保溫材料變形塌陷,縮短爐體使用壽命。
6、回轉窯體積龐大動輒數十噸,設備基礎必須穩固一經安裝便成為永久設施。等離子火炬隧道窯體態輕盈,只消幾卡車便可搬運,尤其適合油田等需要搬遷的流動作業場合。
工業污泥、市政污泥治理方案選擇:
污泥處理的常規技術:以熱干化方法將含污泥水率降到70%左右,再施以焚燒。
運行中,污泥所含水分以蒸汽的形態排出,水蒸汽以汽化潛熱的形式帶走了熱干化及焚燒過程中的大部分能量。
工業污泥熱值低,以流化床或回轉窯焚燒處理必需摻煤助燃,煙氣排放量很大,運營成本居高不下。
此外流化床、回轉窯等設備投資巨大,使用、維護成本很高。
等離子火炬隧道窯可以直接處理含水率30%到90%的污泥、固態、半固態、液態廢棄物,設備處理能力從每天0.5噸到200噸,尤其適合廠礦企業及規模大小不等的化工園區污水處理廠。
等離子火炬隧道窯處理化工園區污水處理廠沉淀池污泥或市政污泥,可選擇焚燒工作模式。
等離子體火隧道窯通入過量空氣,污泥中有機物因氧化反應,生成CO2、H2O等單質物質,其中汞、鋅、鉛、錫、銅等重金屬以氧化物形式隨煙氣排出,經活性炭噴射裝置,噴射活性炭富集后再行處理。
焚燒模式非常適合處理重金屬含量較高的工業廢棄物。
油田污泥治理方案選擇:
油田含油污泥成分復雜:包括部分原油、蠟質、瀝青、固體懸浮物、鹽類、酸性腐蝕性物質,生產過程中投加的絮凝劑、緩蝕劑、阻垢劑、壓裂液、酸化液、發泡劑等、聚丙烯酰胺等成分。
含油污泥是一種極其穩定的懸浮乳狀液,很難實現多相分離。
《中華人民共和國固體廢物污染環境防治法》和在此基礎上制定的《國家危險廢物名錄》、《危險廢物鑒別標準》、《危險廢物填埋污染控制標準》(GB18598-2001)、《危險廢物焚燒污染控制標準》(GB18484-2001)等標準、法規,對危險廢物的處置做出了具體規定。
在這些標準和法規中,含油污泥歸類為危險固體廢物。
國外相關標準規定,含油污泥處理后含油率應小于百分之二,深度處理后污泥中含油率小于千分之三。
以回轉窯焚燒法處理含油污泥,需要對污泥進行干化處理,需要消耗大量電力和天然氣,而等離子火炬隧道窯只需消耗與之同等的電力。
回轉窯處理含水率高的廢棄物,極易因熱沖擊造成爐內保溫材料變形塌陷,縮短爐體使用壽命。
回轉窯體積龐大動輒數十噸,設備基礎必須穩固一經安裝便成為永久設施。等離子火炬隧道窯體態輕盈,只消幾卡車便可搬運,尤其適合油田等需要搬遷的流動作業場合。
等離子火炬隧道窯處理含油污泥,可選擇熱解工作模式。
等離子體火炬在缺氧環境下熱解含油污泥,其中有機物熱分解,生成H2、CO、H2O、CH4、CnHm等可燃成分。
煙氣由排氣口搜集,經冷凝器,濾除煙氣中水分,送入二燃室適量補充空氣燃燒,遵循3T原則,煙氣在二燃室停留時間超過2秒。
只用少量空氣作為等離子火炬的工作氣體,發揮等離子火炬自身不消耗氧氣且熱效率高(高于百分之九十),穿透力強這一技術優勢,實現節能降耗的設計初衷。
焚燒模式適合處理重金屬含量相對較低的有機物含量較高的工業廢棄物。

更多相關信息 還可關注中鐵城際公眾號矩陣 掃一掃下方二維碼即可關注





